一、產品簡介:
ET-4型稱重傳感器是典型的板環式傳感器,采用薄壁盲孔結構,彈性體采用合金鋼材料制作,具有精度高,安裝方便、抗偏載能力強、抗沖擊性好等特點,經過良好的防潮密封,適用各種起重、吊裝的惡劣的工作環境。
二、技術指標:
|
量程 |
1~100t |
輸入電阻 |
385±10Ω |
|
靈敏度 |
1.5±0.010 mV/V |
輸出電阻 |
350±3Ω |
|
非線性 /滯后/重復性 |
± 0.02%FS |
絕緣電阻 |
≥ 5000 MΩ |
|
蠕 變 |
± 0.02%FS |
供橋電壓 |
10(DC/AC) V |
|
零點輸出 |
± 1.00%FS |
工作溫度 |
- 20~+60℃ |
|
零點溫度系數 |
± 0.02%FS/10℃ |
安全過載 |
120%FS |
|
輸出溫度影響 |
± 0.02%FS/10℃ |
材質 |
合金鋼 |
|
接線方式 |
輸入:紅(+)黑(-) 輸出:綠(+) 白(-) |
||
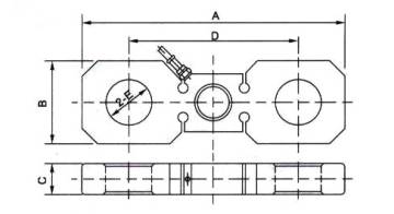
三、外形尺寸:

|
量程 t |
尺寸 (mm) |
||||||||
|
1-3 |
4 |
5-6 |
8-10 |
15 |
20 |
25-30 |
50 |
100 |
|
|
A |
200.0 |
218.0 |
227.0 |
283.0 |
323.0 |
318.0 |
350.0 |
500.0 |
570.0 |
|
B |
60.0 |
68.0 |
70.0 |
90.0 |
110.0 |
110.0 |
126.0 |
180.0 |
170.0 |
|
C |
22.0 |
26.0 |
28.0 |
34.0 |
38.0 |
42.0 |
50.0 |
60.0 |
90.0 |
|
D |
134.0 |
138.0 |
147.0 |
183.0 |
205.0 |
200.0 |
216.0 |
320.0 |
370.0 |
|
E |
32.0 |
36.0 |
40.0 |
50.0 |
65.0 |
60.0 |
60.0 |
72.0 |
100.0 |





