一、產品簡介:
采用不銹鋼制作,抗偏載能力強,雙重密封,適用于各種惡劣環(huán)境。
二、技術指標:
|
量程 |
0.3~30t(3~300kN) |
輸入阻抗 |
380±10Ω 或 750±15Ω |
|
靈敏度 |
2.0 mV/V |
輸出阻抗 |
350±3Ω 或 700±5Ω |
|
綜合精度 |
0.03~0.5%F.S |
絕緣電阻 |
>5000 MΩ |
|
蠕變 |
±0.03%F.S |
供橋電壓 |
建議10VDC |
|
零點輸出 |
±1%F.S |
工作溫度 |
-20~+65℃ |
|
零點溫度影響 |
±0.03%F.S/10℃ |
安全過載 |
150%F.S |
|
輸出溫度影響 |
±0.03%F.S/10℃ |
材質 |
不銹鋼 |
|
接線方式 |
輸入:紅(+)黑(-) 輸出:綠(+) 白(-) |
||
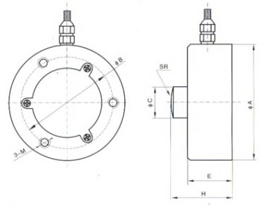
三、外形尺寸:

|
量程 |
尺寸/mm |
|||||||
|
kN |
相當于t |
φA |
φB |
φC |
H |
E |
M |
SR |
|
3~10 |
0.3~1 |
78 |
64 |
15 |
40 |
32 |
M6 |
40 |
|
20~100 |
2~10 |
82 |
66 |
22 |
44 |
32 |
M8 |
50 |
|
150~300 |
15~30 |
127 |
90 |
25 |
70 |
62 |
M10 |
60 |





