

|
單 位 |
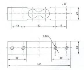
微型傳感器 CZL-1Z |
|
|
量程 |
Kg |
5~30 |
|
綜合誤差 |
0.03 |
|
|
輸出靈敏度 |
mV/V |
2.0±0.1 |
|
非線性 |
%F.S |
± 0.03 |
|
重復性 |
%F.S |
± 0.03 |
|
滯 后 |
%F.S |
± 0.03 |
|
蠕 變 |
%F.S.5min |
± 0.03 |
|
零點溫度漂移 |
%F.S/10℃ |
± 0.1 |
|
額定輸出溫度漂移 |
%F.S/10℃ |
± 0.03 |
|
零點輸出 |
mV/V |
± 0.04 |
|
輸入電阻 |
Ω |
1055±10 |
|
輸出電阻 |
Ω |
1000±10 |
|
絕緣電阻 |
MΩ(50V) |
≥ 3000 |
|
推薦激勵電壓 |
10V |
≤ 10 |
|
工作溫度范圍 |
℃ |
-10~+40 |
|
過載能力 |
%F.S |
150 |
|
推薦用途 |
平臺秤、計價秤 |





