

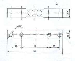
微型傳感器
|
單 位 |
微型傳感器 CZL-1H |
||
|
量程 |
Kg |
0.5、1 |
5、8、20 |
|
綜合誤差 |
0.02 |
||
|
輸出靈敏度 |
mV/V |
1.0±0.15 |
1.0±0.1 |
|
靈敏度公差 |
mV/V |
||
|
非線性 |
%F.S |
± 0.02 |
|
|
重復性 |
%F.S |
± 0.02 |
|
|
滯 后 |
%F.S |
± 0.02 |
|
|
蠕 變 |
%F.S.5min |
± 0.02 |
|
|
零點溫度漂移 |
%F.S/10℃ |
± 0. 2 |
|
|
額定輸出溫度漂移 |
%F.S/10℃ |
± 0.03 |
|
|
零點輸出 |
mV/V |
± 0.1 |
|
|
輸入電阻 |
Ω |
1055±10 |
|
|
輸出電阻 |
Ω |
1000±10 |
|
|
絕緣電阻 |
MΩ(50V) |
≥ 2000 |
|
|
推薦激勵電壓 |
10V |
≤ 10 |
|
|
工作溫度范圍 |
℃ |
-10~+40 |
|
|
過載能力 |
%F.S |
150 |
|
|
推薦用途 |
廚房秤、郵資秤 |
||





